添加到电脑桌面
添加到电脑桌面,以后点击桌面图标一键打开,无需搜索,非常快捷!
立即添加
资源篮
0
文档悬赏
普通会员
限时优惠
登录
首页
充值
所有文档
文库
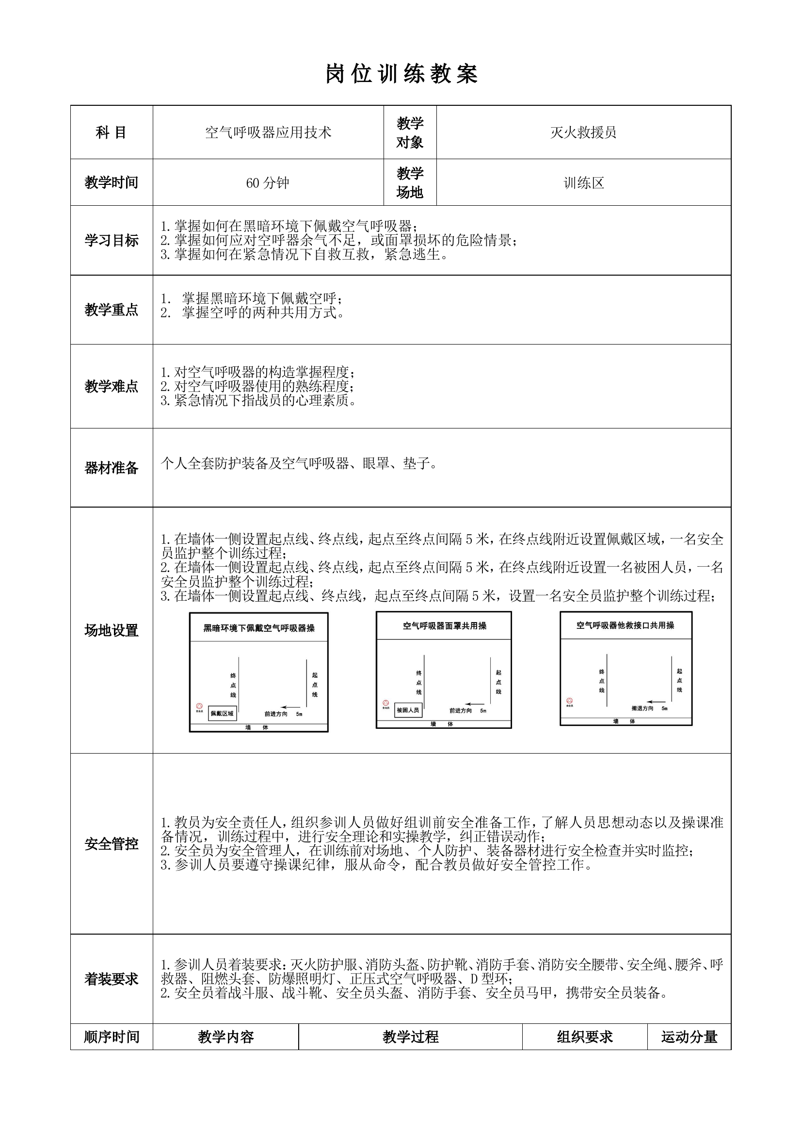
空气呼吸器应用技术教案.doc
DOC
357KB
6页
下载3
2024-01-26
浏览76
收藏0
评分-
12积分
AI编辑
温馨提示:当前文档有6页,可预览2页。下载可查看全部内容
剩余4页未读,
下载浏览全部
收藏
已收藏
喜欢
已喜欢
小**
这个人很懒,什么都没留下
查看用户
该文档于
上传
相关文档
空气呼吸器应用技术教案
3
12
357KB
正压式空气呼吸器应用技术
4
1
31KB
佩戴空气呼吸器操教案
15
1
54KB
空气呼吸器应用技术十个操法
8
2
39KB
空气呼吸器应用技术(14个操法)
46
1
156KB
正压式空气呼吸器四会教学
41
0
15KB
关于大队空气呼吸器测试情况的报告
8
2
14KB
最全正压式空气呼吸器知识详解(美式呼吸器)
214
0
2M
3空气呼吸器面罩共用
2
12
16KB
4空气呼吸器他救接口共用
2
12
15KB
关于空气呼吸器专项训练的方案
1
18
437KB
佩戴空气呼吸器
2
8
57KB
全市消防救援队伍空气呼吸器耗气测试的通知
0
12
64KB
佩戴空气呼吸器操教案
4
4
22KB
空气呼吸器压力测试
2
3
13KB
空气呼吸器五知一能
12
2
1M
精品:b正压式空气呼吸器使用的测试与思考
1
10
93KB
空气呼吸器操作规程
163
0
13KB
正压式空气呼吸器使用注意事项
2
5
426KB
原地佩戴正压式空气呼吸器操
58
0
12KB
原地佩戴正压式空气呼吸器
13
3
14KB
正压式空气呼吸器常见故障处理及未来发展设想
0
10
70KB
2023年1月空气呼吸器测试表
52
0
45KB
正压式空气呼吸器操作使用步骤(20220126)
2
2
79KB
黑暗环境中躺姿佩戴及卸除空气呼吸器
5
3
15KB
黑暗环境组装和佩戴空气呼吸器
7
3
14KB
【新闻稿件】练技能 提实力——XX大队开展空气呼吸器讲解实操
2
2
103KB
消防站空气呼吸器常规故障排除指南
24
1
17KB
正压式消防空气呼吸器技术参数要求(初稿)(3)
1
8
16KB