添加到电脑桌面
添加到电脑桌面,以后点击桌面图标一键打开,无需搜索,非常快捷!
立即添加
资源篮
0
文档悬赏
普通会员
限时优惠
登录
首页
充值
所有文档
文库
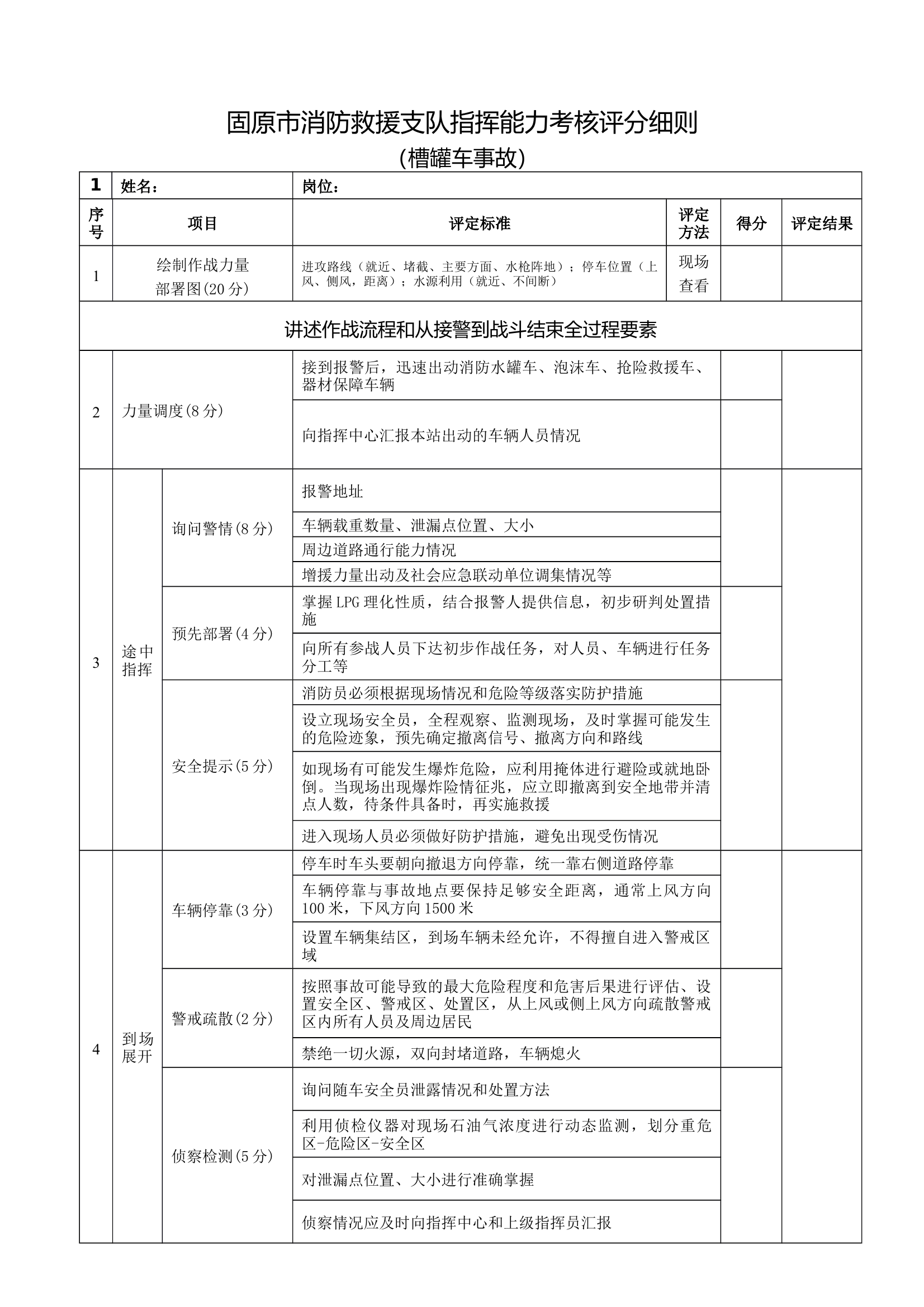
现场考评表(槽罐车事故)
DOCX
19KB
2页
下载3
2025-01-15
浏览97
收藏0
评分-
3积分
AI编辑
收藏
已收藏
喜欢
已喜欢
文档描述
现场考评表(槽罐车事故)
岁**
这个人很懒,什么都没留下
查看用户
该文档于
上传
相关文档
LNG 槽罐车事故救援现场安全管控训练方案
21
3
22KB
天然气泄漏事故现场应急处置方案
2
3
26KB
永州市“6.19”液化天然气槽罐车泄漏事故处置
13
13
27M
“9.29”雁门油罐车泄漏事故抢险救援战例
117
1
13M
配电柜火灾触电事故应急预案(现场预案)
0
5
25KB
山西省朔州市山阴县3.31LNG-罐车泄漏事故警情战评
15
10
154M
心肺复苏事件事故现场处置方案
2
3
496KB
LPG槽罐车事故处置
31
1
106M
成品油运输罐车事故处置浅析
1
5
3M
淹溺事故现场处置方案
0
3
18KB
液化天然气罐车公路泄漏事故处置研究
0
12
189KB
LPG CNG LNG 汽车罐车事故处置应知应会手册
159
0
13M
19 CNG加气站现场处置方案-生产安全事故应急预案
0
3
248KB
液氯罐车公路泄漏事故处置对策研究
0
12
757KB
预防坍塌安全事故应急救援预案及现场处置方案
0
3
17KB
液化石油气罐车事故处置
16
1
8M
大型灾害事故现场消防通信保障方法分析
2
4
34KB
2020年西藏拉萨“7.22”109国道甲醇罐车泄漏事故救援处置战例
7
5
29KB
消防文摘:大型灾害事故现场消防通信保障方法分析...
4
6
22KB
现场考评表(石油化工火灾)
3
3
21KB
13交通事故现场警戒
2
12
60KB
现场考评表(一般建筑火灾)
1
3
21KB
公路隧道罐车交通事故处置
2
12
94M
浅谈液化石油气罐车火灾事故特点与处置方法
4
3
40KB
机械伤害事故现场处置方案及演练脚本
0
5
66KB
车辆事故现场警戒(2)
15
5
19M
灾害事故现场常用急救技术丨心肺复苏
20
2
3M
1_沈海高速(浙江温岭大溪段)“6·13”液化石油气槽罐车爆炸事故救援处置战例
6
20
24M
“9.11”油罐车侧翻泄漏事故救援战评总结
32
3
24KB