添加到电脑桌面
添加到电脑桌面,以后点击桌面图标一键打开,无需搜索,非常快捷!
立即添加
资源篮
0
文档悬赏
普通会员
限时优惠
登录
首页
充值
所有文档
文库
其他
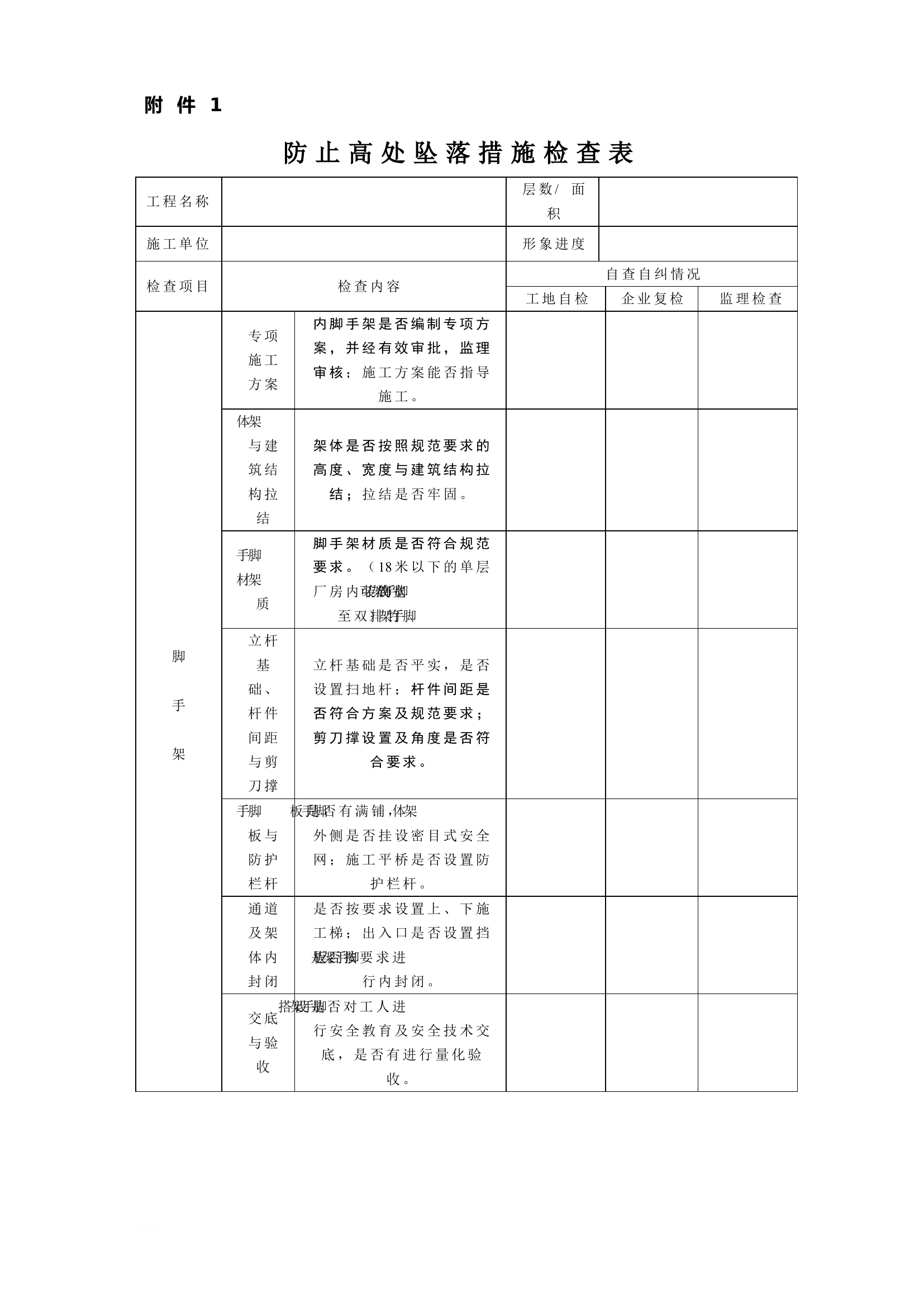
防止高处坠落措施检查表.doc
DOC
308KB
5页
下载2
2023-09-30
浏览76
收藏0
评分-
1积分
AI编辑
温馨提示:当前文档有5页,可预览2页。下载可查看全部内容
剩余3页未读,
下载浏览全部
收藏
已收藏
喜欢
已喜欢
应**
这个人很懒,什么都没留下
查看用户
该文档于
上传
相关文档
坠落事故防范整治措施
6
2
15KB
【演练方案】高处坠落专项应急演练方案(10页)
0
5
84KB
关于 “六个深刻反思” 大讨论活动及 “九个坚决防止” 硬措施落实情况的整改材料
13
5
24KB
高处坠落、物体打击现场处置方案
0
2
41KB
【11】高处坠落事故专项应急预案(17页)
1
5
2M
【桌面推演】施工现场高处坠落桌面演练方案(6页)
0
3
44KB
施工现场高处坠落应急预案桌面演练方案(6页)
0
3
43KB
栀夏:防止电动车上楼保障措施
0
10
12KB
高处坠落事故专项应急预案(17页)
0
3
125KB
高处坠落事故应急预案
0
3
83KB
谈高层建筑的消防灭火救援措施
40
5
18KB
主题教育问题清单及整改措施
40
3
180KB
栀夏:个人剖析材料中如何制定整改措施?3个方面9个层次,构思巧妙,修辞恰当,写出精彩的下步措施打算
4
10
13KB
精品:a浅谈消防员训练损伤现状及处置措施
0
10
18KB
高层建筑火灾中烟气危害及应对措施
2
12
16KB
..支队出台为基层减负提劲十三项措施
7
5
13KB
抗洪抢险行动十项安全措施
28
1
13KB
精品:xxx站杜绝“跑官要官”具体措施
1
4
13KB
练兵奖惩措施
23
2
64KB
【方案】防洪防汛专项安全措施方案(10页)
0
5
59KB
精品:b大型城市综合体防火措施与灭火救援技术探讨
0
10
17KB
“查赌、清贷”专项整治活动开展情况及整改措施
2
3
19KB
关于新能源汽车火灾原因及灭火救援应对措施的认识
17
3
28KB
精品:b当前消防监督管理工作面临的困难及应对措施
0
10
18KB
栀夏:浅议居民住宅火灾原因特点及防范措施
3
10
37KB
xxxx整治形式主义为基层减负七项措施自查自纠报告(1)
4
5
14KB
轰燃和回燃的预防和应对措施
9
5
32KB
消防救援站党支部问题清单及整改措施
15
4
203KB
附件6:XXX有限公司宿舍防控措施(模板,企业根据实际情况完善调整)
0
3
18KB