添加到电脑桌面
添加到电脑桌面,以后点击桌面图标一键打开,无需搜索,非常快捷!
立即添加
资源篮
0
文档悬赏
普通会员
限时优惠
登录
首页
充值
所有文档
文库
其他
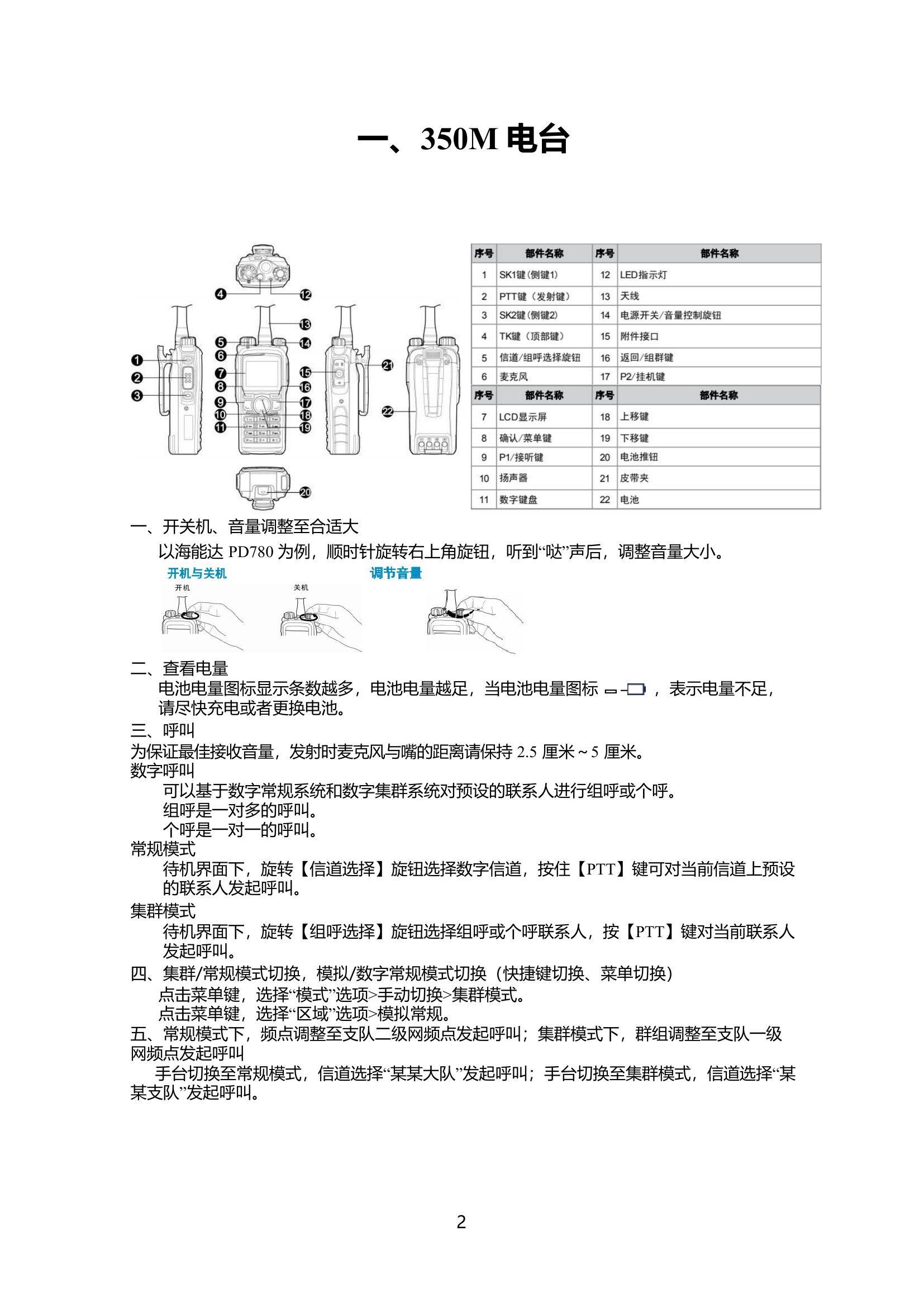
通信岗位单兵装备(系统)操作应用手册.docx
DOCX
33M
317页
下载192
2022-07-01
浏览324
收藏2
评分-
免费文档
AI编辑
温馨提示:当前文档有317页,可预览2页。下载可查看全部内容
剩余315页未读,
下载浏览全部
收藏
已收藏
喜欢
已喜欢
f**
这个人很懒,什么都没留下
查看用户
该文档于
上传
相关文档
通信岗位单兵装备(系统)操作应用手册
22
2
16M
通信岗位单兵装备(系统)操作应用手册(2)
20
2
24M
2_全国火灾与警情统计系统(二期)_操作手册_20231224
9
2
39M
应急通信岗位应知应会手册(稿)
5
3
25KB
车辆装备操作使用手册
16
5
4M
浅谈加强消防救援队伍应急通信系统地应用
0
10
400KB
自动收带摆放系统操作手册(电动卷帘顶盖)——20190902
0
10
29KB
消防控制室系统测试操作手册
10
1
2M
灭火救援装备操作使用手册1目录(1)(1)
4
3
499KB
三维数字化预案系统-用户操作手册 V2.3
42
0
35M
精品:a关于如何运用大数据思维的开展火灾防控与智慧消防信息化系统应用几点探索
1
10
21KB
卫星通信系统的组成、应用及常见故障排除
4
3
1M
关于开展全市通信岗位“师傅带徒弟”跟班轮训的通知
1
12
19KB
精品:a浅谈消防装备建设管理及科学化应用
4
10
17KB
56消防电梯识别与操作应用
4
12
4M
附件1%20应急通信岗位技能操作规程[1]
4
1
252KB
精品:d无人机技术在消防通信中的应用
2
10
17KB
企业复工复产操作手册
0
3
99KB
精品;b关于职业技能竞赛通信岗位 组训备战的几点思考
1
10
19KB
视频会议系统操作考核流程引导词(1)
3
0
17KB
消防控制室值班应急操作手册
0
5
710KB
全国火灾与警情统计系统操作使用说明
1
12
5M
火灾自动报警系统测试操作手册
1
2
190KB
消防救援站单兵技能考核科目操作规程
14
3
629KB
装备器材实战学习讲解手册
8
5
3M
通信比武操作流程
4
2
10KB
xx站装备器材手册
1
25
6M
7(卫星电话操作)通信员技能训练教案(1)
8
30
20KB
应急通信岗位应知应会(一)
5
1
16KB