添加到电脑桌面
添加到电脑桌面,以后点击桌面图标一键打开,无需搜索,非常快捷!
立即添加
资源篮
0
文档悬赏
普通会员
限时优惠
登录
首页
充值
所有文档
文库
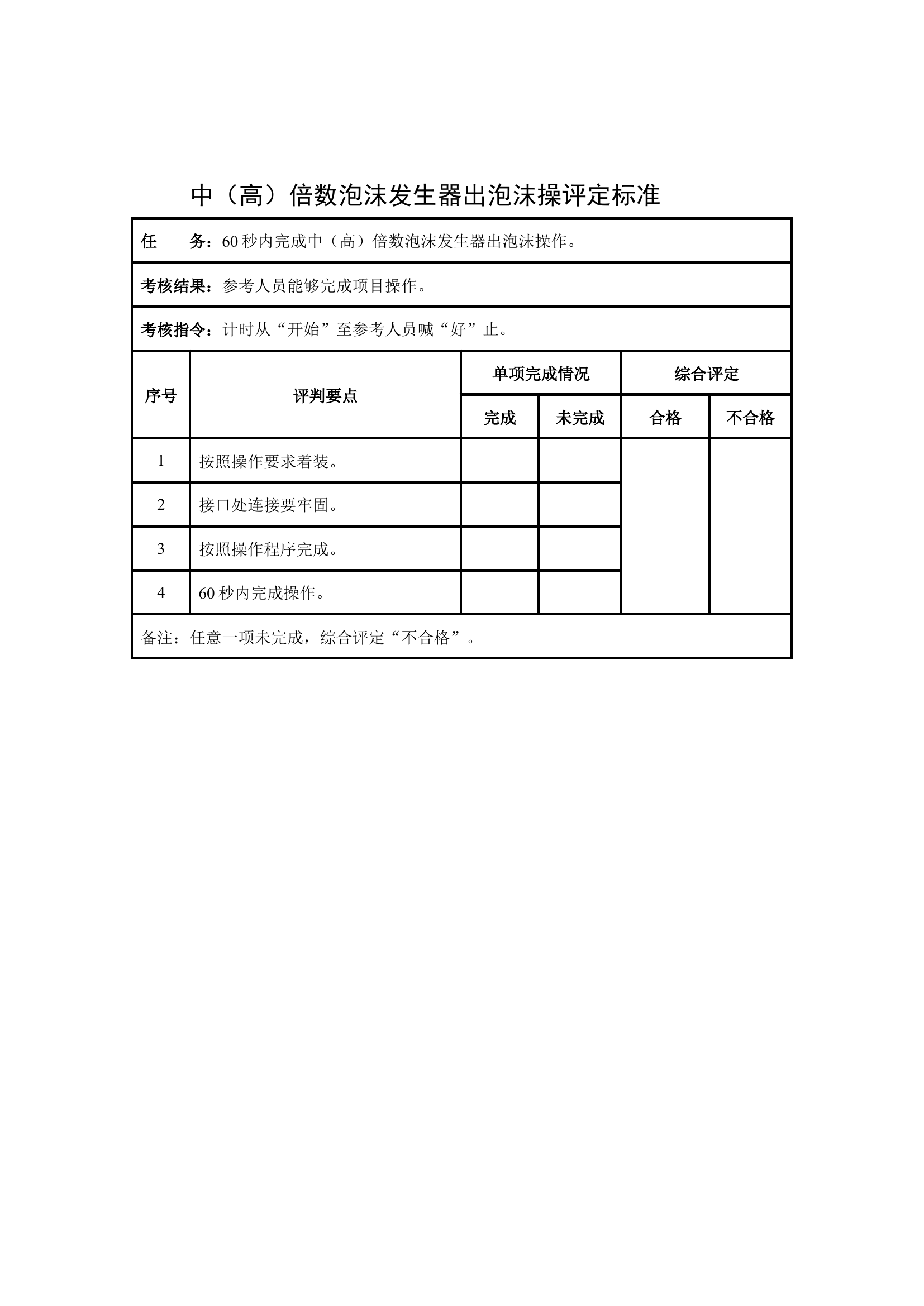
28中(高)倍数泡沫发生器出泡沫▲.docx
DOCX
32KB
1页
下载1
2023-11-15
浏览57
收藏0
评分-
12积分
AI编辑
收藏
已收藏
喜欢
已喜欢
小**
这个人很懒,什么都没留下
查看用户
该文档于
上传
相关文档
21泡沫消防车出高倍数泡沫发生器操▲
1
12
12KB
中倍数泡沫发生器缓施放膨胀泡沫操
0
5
427KB
4-22泡沫管枪测试
48
0
6M
精品:浅谈压缩空气泡沫消防车的实战应用
2
10
16KB
泡沫灭火剂及泡沫灭火装具基础知识用量公式估算详解
233
0
1M
泡沫液远程输转系统操作规程
0
10
48KB
6泡沫消防车车载炮出泡沫操
0
12
44KB
4泡沫消防车出两支泡沫管枪操
0
12
13KB
4水罐消防车与泡沫消防车出泡沫炮操
0
12
13KB
3水罐消防车与泡沫消防车出两支泡沫管枪操
1
12
13KB
RXR-MC4JD-G防爆消防高倍数泡沫灭火侦察机器人使用手册V1.3(中文版)20190625
0
10
5M
泡沫灭火剂
4
5
5M
利用半固定接口注入泡沫操
0
2
17KB
泡沫灭火剂基础理论
15
1
3M
督察提问消防车出水出泡沫计算
54
2
15KB
13.压缩空气泡沫车高层供泡沫训练
2
2
375KB
28泡沫管枪自吸液▲
0
12
13KB
泡沫枪
1
3
11KB
精品:dA类泡沫灭火剂应用及其发展现状
0
10
16KB
个人党性分析
7
5
14KB
夯实基础 蓄势前行—XX支队组织开展初级绳索救援技术培训
2
10
12KB
2022年“条令纲要学习月”活动座谈会
100
1
28KB
2022上半年党风廉政建设报告
56
5
17KB
大队党委落实全面从严治党主体责任情况报告
193
2
14KB
组织生活会剖析材料9篇
134
3
46KB
党课:旗帜鲜明讲政治 做政治上的明白人
1
10
128KB
XX区消防救援大队信访形势分析研判报告
83
2
14KB
理论考试题库二(装备技师)200+100+200=500
6
1
83KB
社区消防安全工作督查情况通报
3
1
12KB